Home > Products > Metering transformer cabinets > Metering cabinet system E 1100/700 D1 ZW
Metering cabinet system E 1100/700 D1 ZW
 
							Recycleble full plastic ● protective insulation ● sturdy stiff design
Low-voltage transformer metering 250A
 
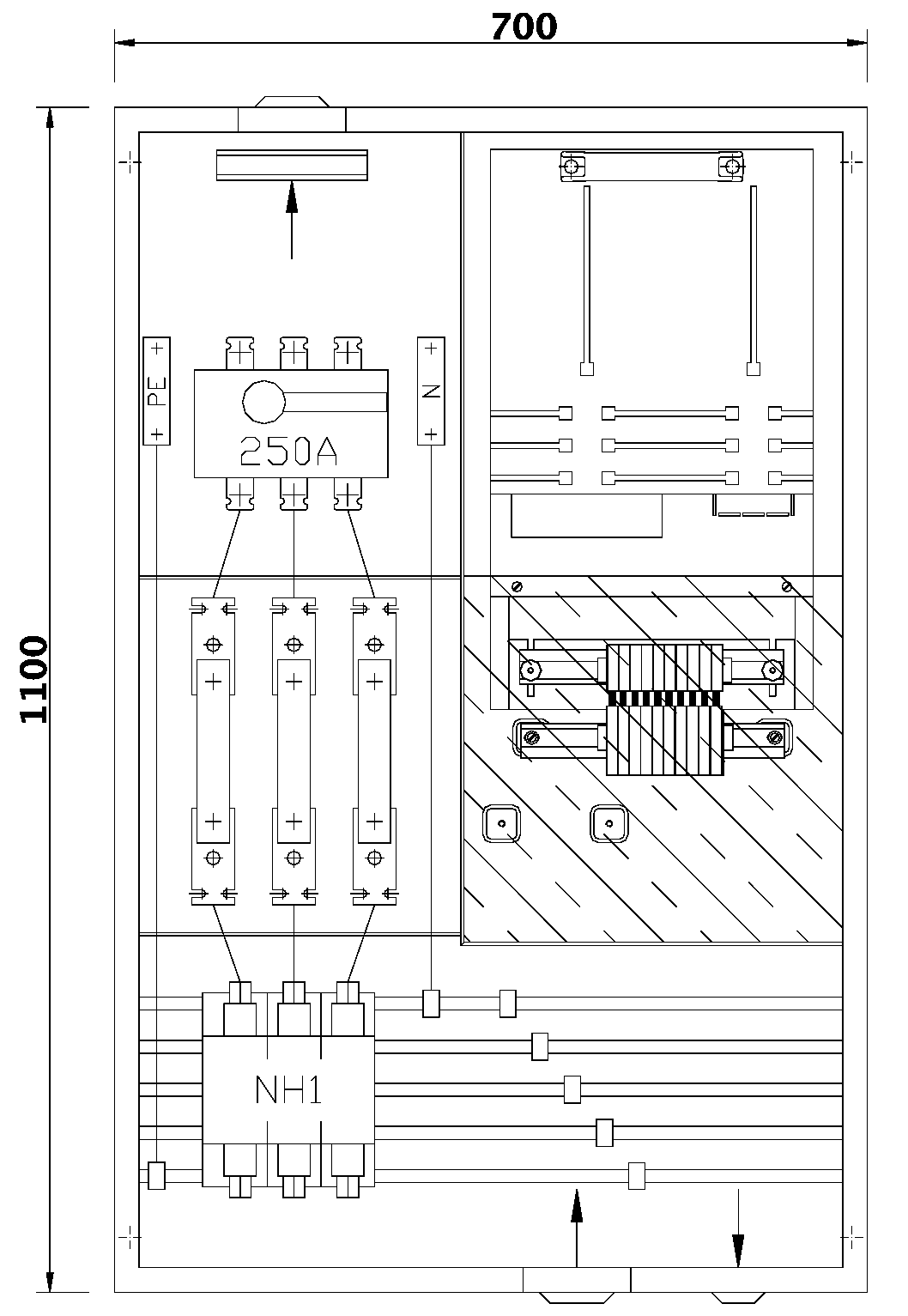
								Metering transformer cabinet E 1100/700 D1-ZW
Dimensions: 1100 x 700 x 225 mm
• Access at bottom via
5 connection terminals 16 – 120 mm2
• Busbars 12x10 [mm]
• NH fuse base Size 1
• Primary guide rail for the transformers
• Load disconnector 250A
• Outflow at top via 5 terminal screws M10
• Complete wiring to test terminal
• Bottom test terminal
• TAE socket outlet
Wiring in/out: Pg 48 in slide
Lock: Square-key lock with sealable indicating disk
4 screws and plugs to mount cabinet ø9
Weight: approx. 28 kg
Meter board E 700/400 D1-HZ5-2-300
Dimensions: 520 x 300 x 25 mm
• 2 meter positions
• Top test terminal
• Completely wired ready to connect
Weight: approx. 2,5 kg
Contact
Paul Deppe & Co. GmbH
Emmy-Noether-Str. 6
31157 Sarstedt, Germany
Telephone: (05066) 70 44 0
Fax: (05066) 70 44 44
E-Mail: info{at}deppe.eu
Sitemap
Transformer measurements
Direct measurements
© 2025 Paul Deppe & Co. GmbH